振動電機
以客戶需求為導向,提供全方位的系統解決方案
以客戶需求為導向,提供全方位的系統解決方案
振動電機
YJZ系列激振電動機為各類振動機械通用激振源,適用于各類機械,如振動給料機、振動輸送機、振動干燥機、振動落砂機、振動篩分機等,廣泛用于冶金、礦山、煤炭、化工、輕工、制藥、食品、水力、電力、建材、鑄造等。
使用條件環境溫度為-20~+40℃;海拔不超過1000m;電源為3相380V,50HZ;工作方式為連續工作定額。
激振電動機的外客防護等級為IP54,可在任何無特殊要求的粉塵條件下工作。
型號含義

結構簡介:
激振三相異步電動機是通過安裝在轉軸兩側的偏心塊,旋轉產生離心力。此離心力做為激振力通過電動機底腳傳遞給振動機械的晃激振源。
詳細介紹:

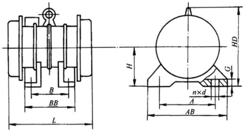
YJZ系列激振異步電動機(2~140KN)外形尺寸:

圖1YJZ(2極)電動外形尺寸圖(見表2)
表2(單位:mm)

圖2YJZ(4、6、8極)電動機外形尺寸圖(見表)
表3YJZ系列4、6、8極數據表(單位:mm)

振動原理:
1.直線運動
兩臺規格相同的激振電動機,固定在同一平面上,接通電源,使兩臺電動機的轉向相反,就會產生垂直于底面的激振力。
2.圓周運動
電動機固定在負載底盤上,使電動機的重 心和負載的重 心在垂線上,接通電源,就會產生徑向的圓周方向運動。

振動電機訂貨須知:
?。?)寫明所需產品的規格、功率、激振力、極數、數量。
(2)對面漆有無特殊要求。
?。?)對電機引出線有無物殊要求。
(4)可定制特殊參數的振動電機,如特殊電壓、特殊安裝尺寸等
返回列表

全國銷售熱線
15893823777友情鏈接:
版權所有 新鄉市宏達振動設備有限責任公司 備案號:豫ICP備16039515號-2
微信掃一掃